SP5518F
SP5518F是一顆高效率、升壓型LED驅動控制芯片,采用固定關斷時間控制模式,開關頻率可達1MHZ,關斷時間可以通過外部電容調節,LED電流可以通過外部電阻進行設置。
詳細介紹
文檔與工具
樣品及購買
SP5518F是一顆高效率、升壓型LED驅動控制芯片,采用固定關斷時間控制模式,開關頻率可達1MHZ,關斷時間可以通過外部電容調節,LED電流可以通過外部電阻進行設置。
SP5518F提供上電軟啟動功能與各種可自恢復的保護功能,包括功率管過流保護(OCP)、欠壓保護(UVLO)等。
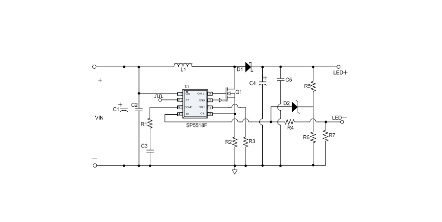
典型應用框圖
應用
上電軟啟動
內置前沿消隱(LEB)功能
逐周期限流保護(OCP)
欠壓保護(UVLO)
LED寬電流范圍:
高達90%的效率
1MHZ的開關頻率
寬電壓輸入范圍:6.5V~24V
SOP8無鉛封裝
LCD背光驅動
LED照明燈
樣品及購買
樣片申請
推薦產品
